Experiment 1
        Experiment 2
        Experiment 3
        Experiment 4

                             

 

 

Experiment 2 : Measuring of Guide Wavelenght, lH

 

       

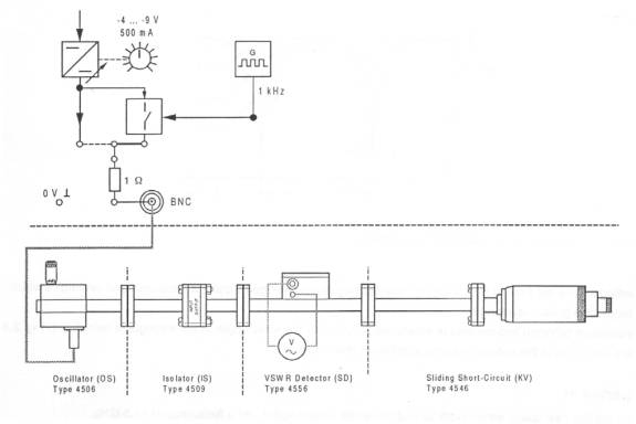
Components and measuring equipment

 

1 Microwave Trainer                    Type 4510

1 Oscillator (OS)                           Type 4506

1 Isolator (IS)                                 Type 4509

1 VSWR Detector (SD)               Type 4556

1 Sliding Short-Circuit (KV)         Type 4546

1 Connecting plugs and leads    Series 9100

1 Multimeter

 

Experiment setup

 

  Figure 5: Measurement set up for determining the guide wavelength.

 

 

Experiment procedure

 

First, set the micrometer screw of the Gunn oscillator to be 1.25 mm.

Set the potentiometer for the voltage supply of the Gunn oscillator to center position (V= -8 V) and plug the 4 mm connecting plug in a way that the supply voltage of the Gunn oscillator is modulated.

 

Look for the first minimum by turning the micrometer screw of sliding short circuit from zero. Jot downs this value as M1. (Note: You can use either oscilloscope or multimeter to display the signal at this minimum value).

 

Look for the second minimum, with further turning of micrometer screw of sliding short circuit. Note the established value as M2.

 

The difference between M1 and M2 is half that of the guide wavelength, in mm.

 

lH/2 =  | M1. M2|

 

The measured value for the guide wavelength is then:

 

lH = ­­_________ mm

 

Calculate the value of l0 and lH for the frequency value (at 1.25 mm of micrometer screw setting, obtained from the previous part of this experiment) and compare the lH with the measured value.

 

 

Questions and discussions.

 

1.         Proof with the standing wave diagram on how the equation (1) can be obtained. What are the    

            assumptions made?

 

2.         What is guide wavelength and give a simple but complete description on it.

 

3.         Calculate the deviation between the measured and calculated value of lH.

                                           
 
                                                      
    
                           Home | About | Objectives | Introduction | Equipments | Exp Instructions | The Experiments | Discussions | Links |
                                                                        
                                      Faculty of Electrical Engineering, Universiti Teknologi Malaysia, 
                            81300 UTM Skudai,  Johor Darul Ta'zim, Malaysia

                                      Send mail to
napye@hotmail.com   with questions or comments about this web site.
                                 Copyright © 2002 Mohd Hanafi Iskandar Bin Asnawee. All Rights Reserved.

                   
Last modified:  09/01/02

                               This Site is designed in -  and best viewed with   -  Internet Explorer  - " Resolution of 1024 x768 "